人生就是搏

人生就是搏

人生就是搏

Changzhou World Expo Electric Co., Ltd.

13815052727
db3dfbfc59e98fbc2de5a5d75ed67dc8
  • db3dfbfc59e98fbc2de5a5d75ed67dc8
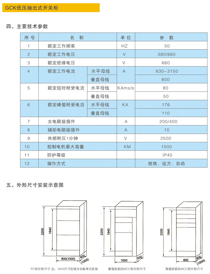
GCK低压抽出式开关柜
人生就是搏是设计制造崎岖压成套系列装备的生产型高新手艺企业,公司位于常州港南侧,现在厂区修建面积12000平方米,经由多年的开拓和生长已形陋习模生产。。。产品概述如下:FLN36,48-12型SF6负荷开关,XGN15-12型环网柜,XGN16-12型全绝缘开关柜, KYN28A-12中置柜,SF6-24KV负荷开关、XGN18-24环网柜,SMW16-24(12)型开闭所,DFW...
产品详情

GCK低压抽出式开关柜
人生就是搏·(中国区)官方网站
人生就是搏·(中国区)官方网站

相关产品

公司主要产品为石英晶体谐振器,其中焦点产品为种种型号的音叉晶体谐振器(含DIP、SMD)和SMD高频晶体谐振器。。。

【网站地图】
GCK低压抽出式开关柜-SM-GGD、MNS、SVC